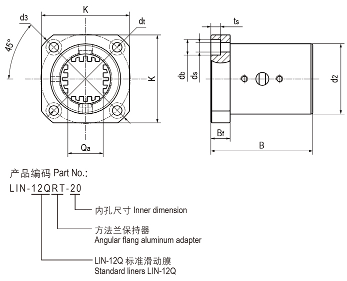
● Closed design with square flange
● Assembled LIN-12Q liners
● Anodized aluminum adapter
● Torque absorption up to 5 Nm
● Maintenance-free and low noise
● Resistant to dirt and dust
● Operation temperature -50℃/+90℃
Part No. | Dynamic Load P=5MPa | Static Load P=35MPa | Max. torque | Weight |
F max. [N] | F max. [N] | [Nm] | [g] | |
LIN-12QRT-20 | 1600 | 11500 | 5 | 131 |
●Maximum 2:1 ratio
●1x =bearing separation on same shaft
●2x =distance from shaft to load or force

●CAUTION: uneven motion or even system blockage will occur if the 2:1 ratio is exceeded !
This principle is NOT load dependent! It is NOT due to edge loading. It is also NOT dependent on the driving force used! The greater the distance between the drive and guide bearings, the higher the degree of wear and required drive force.
There may be other factors that add to the braking effect, but the coefficient of friction is the main cause.
NOTE: The Rule(2:1) is based on the static friction value of 0.25 theoretically, However, Additional lubrication can help to drop friction and extend the 2:1 ratio.
If you have any questions on design and/or assembly, please contact our application engineers.
● Made of anti-wear material EPB13
● Maintenance-free, high wear resistance
● Low noise and fitted very easy
● Linear movement with torque resistance
● Torque-resistant square design
● Aluminum, hard anodized surface
● Suitable for unsupported applications
● Durable and light
more
1777
▊CSB-LIN® Plastic Linear Bearings Finder[V2.0] including LIN plastic linear bearings and LINP precision linear bearings. The system is based on the analysis and calculation of a large number of test data in CSB® laboratory. You can calculations bearing data by entering parameters such as bearing load, speed, temperature and position information, The system will output bearing adaptation data and min. driving force.
▊Because the system calculate and analyze based on lab data, it can't exactly meet the ractual use requirements absolutly. The system data verification has certain limitations; CSB® recommends that the bearing must be tested again to verify whether it meets the actual use requirements.
▊CSB-LIN® Plastic Linear Bearings Finder output data information is only for design reference, and can not be used as the final standard for determining the bearing material conformity, If you have any questions, please contact CSB® sales engineers.
● Closed design with round flange
● Assembled LIN-12Q liners
● Anodized aluminum adapter
● Torque absorption up to 5 Nm
● Long design with round flange
● Assembled 2pcs liners LIN-12Q
● Anodized aluminum adapter
● Torque absorption up to 10 Nm
● Long design with square flange
● Assembled 2pcs liners LIN-12Q
● Anodized aluminum adapter
● Torque absorption up to 10 Nm
● Closed and short block design
● Assembled LIN-12Q liners
● Anodized aluminum adapter
● Torque absorption up to 5 Nm
● Closed block design and increased the guide length
● Assembled 2pcs liners LIN-12Q
● Anodized aluminum adapter
● Torque absorption up to 10 Nm