 
                         
                                                    ● Rolling and sliding hybrid blocks 
● Smooth moving and driving force reduced 45%
● Sliding liners material: EPB13
● Resistant dust and quiet operation
● For WR single and dual guide rails
● Various installation options are available

| Part No. | Max. static load [N] | Max. dynamic load [N] | Weight | 
| Coz- | Coz- | [g] | |
| WRU02-10 | 460 | 1440 | 35 | 
| WRU02-16 | 680 | 1760 | 66 | 
| WRU02-20 | 960 | 2480 | 130 | 

● Opening design sliding liners
● Self-lubricating and dust resistance
● Made of anti-wear material EPB13,MN2,EPB5
● Single guide rails made of aluminum
● Hard anodized surface
● Weight saving and no noise
● Variable width can be fitted
more
▊CSB-LIN® Plastic Linear Bearings Finder[V2.0] including LIN plastic linear bearings and LINP precision linear bearings. The system is based on the analysis and calculation of a large number of test data in CSB® laboratory. You can calculations bearing data by entering parameters such as bearing load, speed, temperature and position information, The system will output bearing adaptation data and min. driving force.
▊Because the system calculate and analyze based on lab data, it can't exactly meet the ractual use requirements absolutly. The system data verification has certain limitations; CSB® recommends that the bearing must be tested again to verify whether it meets the actual use requirements.
▊CSB-LIN® Plastic Linear Bearings Finder output data information is only for design reference, and can not be used as the final standard for determining the bearing material conformity, If you have any questions, please contact CSB® sales engineers.
● Single guide rails made of aluminum
● Hard anodized surface
● Weight saving and no noise
● Variable width can be fitted
more● Dual guide rails made of aluminum
● Hard anodized surface
● Weight saving and no noise
● Standard fitting width
more● Fitted standard liners EPB13 
● Maintenance-free, dry-running
● Fast assembly and light weight
more● MN2 liners for aluminum shafts 
● Maintenance-free, dry-running
● Fast assembly and light weight
more● Assembled 2pcs standard liners EPB13
● Carrying capacity is twice that of the standard type
● Maintenance-free, dry-running
more● Wear layer material: TEFPLAS® B 
● Operation temperature ±200℃
● Max. continuous running speed 1.5m/s
● Fast assembly and light weight
more● Rolling and sliding hybrid carriages
● Smooth moving and driving force reduced 45% than the standard carriages
● Sliding liners material: EPB13
● For side installation of WR02 guide rails
more● Rolling and sliding hybrid carriages
● Smooth moving and driving force reduced 45% than the standard carriages
● Sliding liners material: EPB13
● For horizontal installation of WR02 guide rails
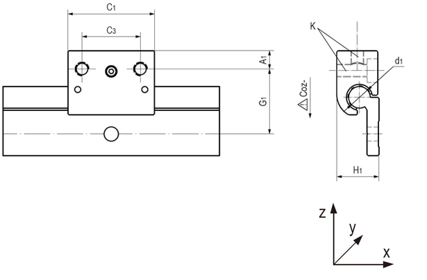
more● Sliding liners material: EPB13
● With locking handwheel design
● 3/8" threaded hole for camera
● Self-lubricating, maintenance-free
more● Fitted standard liners EPB13 
● Housing made of stainless steel 316Ti
● Good corrosion resistance
● For WR ES single and dual guide rails
more● Rolling and sliding hybrid blocks 
● Smooth moving and driving force reduced 45%
● Carrying capacity is twice that of the standard type
more